このサイトで伝えたいこと! はじめに

【幾何公差】難しい位置度をなるべく分かりやすく解説

  • URLをコピーしました!

幾何公差って難しいですよね。その中でも位置度は特に分かりにくいので、なるべく分かりやすく解説した記事を書こうと思います。合わせて理論的に正確な寸法(TED)についても詳しく書いていこうと思っております。

今回の記事ではなるべく分かりやすくするために、あえて極端な例を出していきますので、ベテラン設計者の厳しいツッコミはなしでお願いします笑

新田設計

もともと加工屋から設計に転向した新田設計が、加工屋目線と設計者目線の両方で図面のイメージ図を書いていこうと思っております。

目次

① 平面に対しての位置度

導入編:位置度の基本「TED」を理解しよう

まず位置度の幾何公差を説明する前に、大前提としてTED(Theoretical Exact Dimension:理論的に正確な寸法)を理解する必要があります。

いきなり「理論的に正確な寸法」とか「TED」とか言われても意味不明ってなるかもしれないので、まずは寸法公差とTEDの違いを説明します。

下図のような公差の図面があった場合

こんな形状をイメージしていませんか?

しかし寸法公差だけでは、下図のような形状になる可能性があります

新田設計

これは独立の原則と呼ばれるものであり、寸法公差と平面度や平行度などは別々に考えることを言います。

まあ実際の加工現場で切削加工した場合、上記のような形状になる可能性がほとんどないですが(小声)

ここで位置度を使用して図面を書くと下図のようになります

上記のように位置度で規制している寸法の60(四角で囲った寸法)が、理論的に正確な寸法(TED)となります。
今回は位置度0.2となっているため、理論的に正確な寸法60に対して0.2の範囲に、形状位置が定義されている状態です。

新田設計

これを見た時に「じゃあ全部TEDでええやん」って思ったそこのアナタ!
設計側からすればそうなのかもしれないですが、加工屋さん的には測定検査が大変になります。

ノギスの測定イメージ

三次元測定機の測定イメージ

注:上図は極端なイメージ図です笑

寸法公差だけで書かれた図面は、独立の原則によって公差だけ満足すればよいので、
今回の場合60の高さをノギスで測定すればOK部品の確認ができます。

しかし理論的に正確な寸法(TED)が書かれた図面では、ノギスだけの測定ではNG部品を見分けることができないため、測定工数がアップします。

新田設計

測定工数はコストアップや納期アップに繋がる可能性があるため、必要以上にTEDを使用して図面を書くことはあまりオススメしないです。

② 穴に対しての位置度

穴ピッチ公差に位置度を使用する例

次に面ではなく穴ピッチに対して、位置度を使用するパターンについても説明していきます

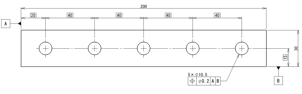
下図のようにプレートに5つの穴が空いている形状があります

もし上記で40の穴ピッチに公差を入れていない際、JISの中級(ちゅうきゅう)だった場合「±0.3」となります。
指示無き公差については過去記事で詳しく解説しておりますので、下記リンクを参照してください。

仮に下図のようなピッチ公差になった場合、一番左の穴と一番右の穴は大きくズレてしまいます。

しかも穴がズレていく方向が、右側や左側に不規則にズレる可能性もあるため、それらを考慮して公差決めることになってしまいます

特に下図のように相手部品がいた場合、それぞれの部品のバラツキまで考えないといけなくなります

仮に穴ピッチ公差を±0.1に変更しても、下図のように左の穴と右の穴は、公差の積み上げた分だけズレる可能性があります

こんな時に位置度を使用することで、バラツキを最小限に抑えられます

新田設計

位置度を使用することで、穴ピッチの40は理論的に正確な寸法の位置になるため、寸法公差と比較してバラツキを少なくできます。

今回の例では、穴のプレートと軸プレートの両方の部品で、位置度を図面に入れておくことで、厳しい寸法公差を入れなくても組立が成立することが可能です。

更に位置度では数値の前に「φ」を付けることができるため、寸法公差よりも斜めの分を気にしなくてよくなるというメリットもあります

寸法公差の場合

位置度の場合

その他の項目について

一緒に覚えておきたい項目

今回は初級編なので項目だけ下記に書いておきますが、位置度を使用する時によく最大実体公差方式が使われます

項目 記号 JIS規格 定義・設計上の意図
包絡の条件 E JIS B 0024 サイズ公差と幾何公差を相互に依存させる。実効状態が最大実体サイズを超えてはならない条件。主に「はめあい」の互換性を保証する。
最大実体
公差方式
JIS B 0023 部品の質量が最大になる状態を基準にする方式。実際のサイズが最大実体サイズから離れるほど、ボーナス公差が発生し、組み立てやすさとコストダウンを両立できる。
最小実体
公差方式
JIS B 0023 部品の質量が最小になる状態を基準にする方式。主に「肉厚の確保」や、強度の最低ラインを維持したい箇所(鋳物や薄肉部品)に使用。
突出公差域 JIS B 0029 公差域を部品の内部ではなく、外部(ボルトの突き出し部など)に設定する。長いネジやピンを立てる際、相手部品との干渉を防ぐために重要。
自由状態 JIS B 0026 ゴムや薄肉プラスチックなど、拘束を解くと自重や内部応力で変形する部品に対し、拘束のない自然な状態での公差を指示する。
ゼロ幾何
公差方式
φ0 最大実体状態での幾何公差を「0」とする指示。Ⓜと併用してサイズ公差の全てを幾何公差に振り向けることができる。
新田設計

色々な項目があって大変ですが「最大実体公差方式」は特に重要なので、今後記事を書く予定でおります。

今のうちに新田設計HPのブックマークや、Xと公式LINEなどフォローいただけると嬉しいです。
法人会社向けに講習会なども過去に行った実績もありますので、お仕事の依頼などあれば新田設計のメールアドレスを送らせていただきます。(※コソっと宣伝)

この記事が気に入ったら
フォローしてね!

よかったらシェアしてね!
  • URLをコピーしました!
  • URLをコピーしました!
目次